Deprecated: Unparenthesized `a ? b : c ? d : e` is deprecated. Use either `(a ? b : c) ? d : e` or `a ? b : (c ? d : e)` in /home/red2020adm/public_html/wp-content/themes/blackrider-pro/includes/dynamic-image.php on line 226
The Sequence of Operations of Gas Furnace | Red Deer Heating & AC

Contact Us Now : (587) 802-3192

Tap To Call
Home » Furnaces » The Sequence of Operations of Gas Furnace

The Sequence of Operations of Gas Furnace

The Sequence of Operations of Gas Furnace

Almost all furnaces have the same sequence of operation. This basic sequence codes for all furnaces from an 80 % single stage to a modulating unit. The only difference is the staging. But why does a gas furnace have a sequence of operations?

 

It is all about safety. If we didn’t have to worry about safety, we could just simply fire that thing up and hope it ran well. We are working with natural gas which, in the right combination with air, can be explosive. We also have to worry about carbon monoxide.

So that’s why there is a specific sequence of operation that a furnace goes through before it starts blowing warm air into the house.

 

So, let’s go over that basic sequence of operation.

  1. The first is a call for heat from the thermostat. That starts all action.
  2. The draft inducer motor starts.
  3. Then the draft is proven.
  4. The igniter turns on (could be a hot surface igniter or a pilot)
  5. The gas valve opens and the burners light.
  6. Then we have to prove there’s a flame.
  7. The indoor blower turns on.
  8. Then it heats the house and we have a happy customer.

So that’s the basic sequence of operation: let’s go into a little more detail on this. All gas furnaces have a circuit board inside and they control several functions. But the biggest function that controls is the sequence of operation.

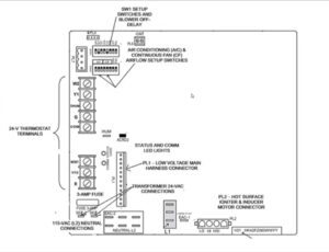
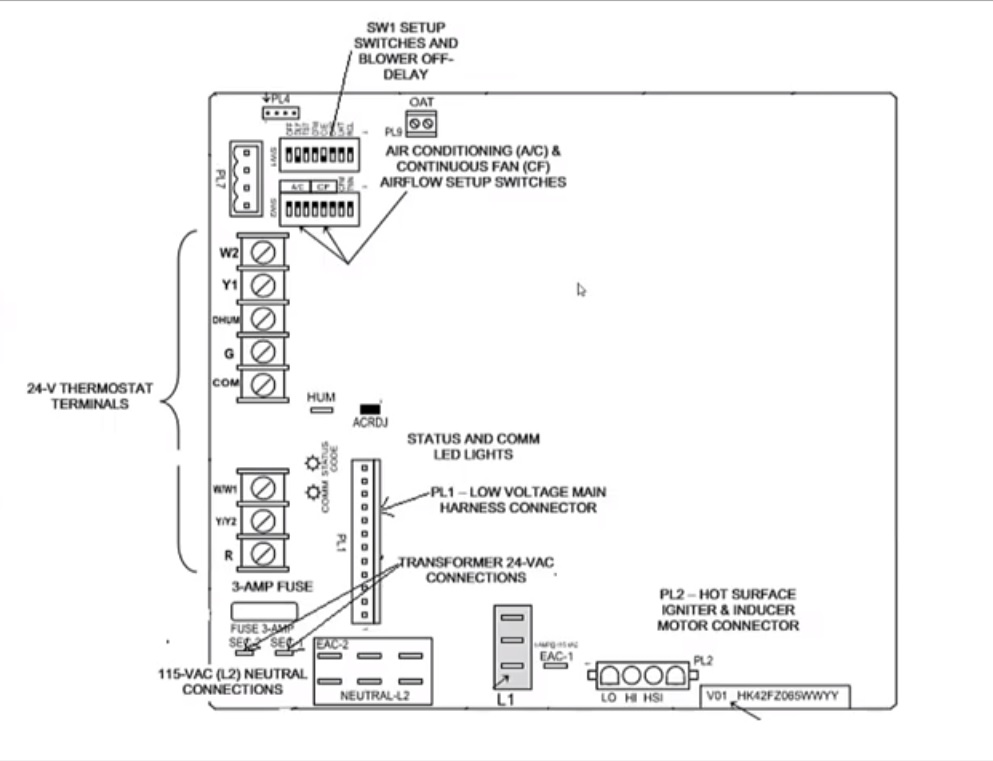
Let’s take a look at a circuit board real-quick.

Circuit Board1

We have a set of dip switches and these primarily control the blower speed, its delay, of whether there’s air conditioning, the continuous fan, and airflow setup switches.

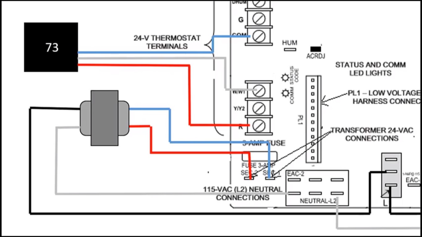
Then we have our 24-volt thermostat terminals. We go from our R terminal, our Y terminals, our W terminals, our G terminal and our C or common terminal.

There is a 24-volt 3-amp fuse and 24-volt connections for the transformer. There are status lights, a 12-pin connector, the high voltage 120-volt neutral bus, the hot bus, and then the 4 pin connector connecting the draft inducer fan and the hot surface igniter.

So that’s the basic parts of a circuit board and these are pretty common to all circuit boards.

 

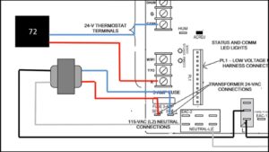
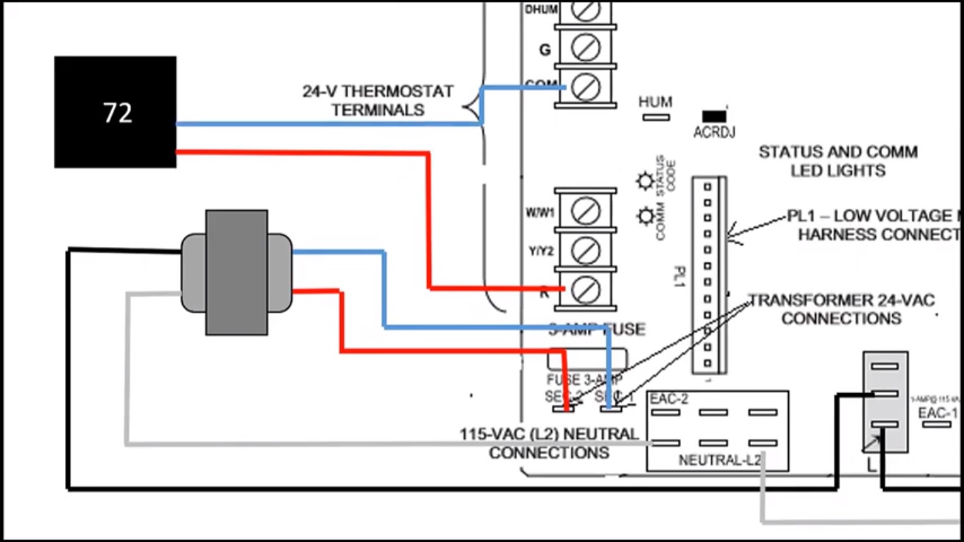
It starts by bringing electricity into the board. So, we’re going to wire in our 120-volt AC power.

Circuit Board2

But now we need low-voltage. So, let’s put in a transformer and let’s wire up the primary side of it and now we’re going to wire in the secondary side and it’s going to go to the 24-volt transformer connections.

Circuit Board3

The colouring we are using for the wiring in this demonstration does not represent the actual colours you’re going to see. We are only doing it for clarification. Now, we’re going to need a thermostat. So, let’s wire it in.

Circuit Board4

We’re going to wire in the R terminal and the C terminal and those provide power for the clock, calendar functions and programming functions within the thermostat.

The first in our sequence is a call for heat.

What can we do to help warm up the house? So, let’s walk to our thermostat and adjust the heat up there. Let’s say we got it up to 73 degrees. Then let’s go back to our board now, so we have a call for heat.

Circuit Board5

Let’s run a wire from the thermostat to W 1(Grey Wire). When W1 is called, it is a call for heat and starts the entire sequence. Then the draft inducer motor starts.

 

The next step in the sequence is draft must be proven. Now, this is very important because we don’t want to produce carbon monoxide and to do that, we need to provide enough air. But a 3-ton furnace produces 36,000 BTUs of heat per hour.

 

One cubic foot of natural gas contains approximately 1000 BTUs. It takes 15 cubic feet of air to completely burn that one cubic foot of the gas. So, we need 36 cubic feet of gas to produce 36,000 BTUs.

 

We’re going to multiply 36 x 15. It was 36 cubic feet of gas x 15 cubic feet of air and that equals 540 cubic feet of air that that draft inducer fan has to blow through the furnace every hour to completely burn the natural gas.

 

To give you an idea of how much air that is, let’s build a box 6 feet by 6 feet. It needs to be 15 feet deep. That’s how much air has to be blown through the furnace every hour to completely burn the 36 cubic feet of natural gas.

That’s a lot of air a fan works hard and we need to make sure that that fan is blowing that much air through the furnace.

 

We do that with a pressure switch. Here’s what a pressure switch looks like.

Pressure Switch

When there is enough air flowing through the furnace, that we know we’ll have complete combustion, that pressure switch closes. It tells the circuit board – it’s time to go on to the next step in the sequence, and that is the igniter is going to start.

 

When the next step starts, it’s going to glow bright red. Once the circuit board knows it’s hot, it’s going to open the gas valve and the burners are going to light. When the gas valve opens, we get flame.

 

Next, we use a flame rectifier to prove there’s a flame. The reason we want to know there’s the flame is that for some reason the flame goes out and the gas valve does not shut off, it’s going to fill the furnace and the flue pipe with natural gas, which can cause an explosive situation.

 

Now, the flame will also produce a small amount of electricity when it hits the flame rectifier. It produces approximately 5 to 10 milliamps of electricity, not a lot, but that sends a signal back to the circuit board that we have a flame.

 

Now, we’ll go to the next step in our sequence of operation and that is our indoor blowers going to start blowing hot air in the house. With all of that, we now have a warm house during winter.

 

That is our basic sequence of operations for a furnace. So, let’s quickly review; we have power to our circuit board and there’s a call for heat. Our draft inducer fan starts, a draft is proven, the igniter starts, the gas valve opens and we have a flame. Flame is proven, our indoor blower starts, and we end up with a warm house and a happy family.